Firma Bajtel postanowiła usprawnić produkowane przez nią komputery, przez zastąpienie zaszytych w komputerach programów asemblerowych specjalnymi układami elektronicznymi, zwanymi układami asemblerowymi. Programy asemblerowe składają się wyłącznie z przypisań. Każde przypisanie jest określone przez cztery elementy:
Zakładamy, że jest co najwyżej
rejestrów oznaczonych małymi literami alfabetu angielskiego od a do z
oraz co najwyżej
różne operacje elementarne oznaczone wielkimi literami angielskiego alfabetu od A do D.
Układ asemblerowy ma:
Wewnątrz układu znajdują się bramki. Każda bramka ma dwa wejścia i jedno wyjście. Wykonuje ona jedną operację elementarną na danych, które pojawiają się na jej wejściach i udostępnia wynik na swoim wyjściu. Wejścia bramek oraz wyjścia całego układu są połączone z wyjściami innych bramek lub wejściami układu. Wyjścia bramek oraz wejścia układu mogą być połączone z wieloma wejściami innych bramek lub wyjściami układu. Połączenia między bramkami nie tworzą cykli.
Układ asemblerowy jest równoważny programowi asemblerowemu, gdy dla dowolnego stanu początkowego rejestrów daje taki sam — jak program — stan końcowy rejestrów.
Napisz program, który:
W pierwszym wierszu standardowego wejścia znajduje się jedna liczba całkowita
(
).
Jest to liczba instrukcji programu.
W
kolejnych wierszach opisane są kolejne instrukcje programu.
Każdy opis ma postać czteroliterowego słowa, zaczynającego się od symbolu operacji elementarnej: A, B, C albo D.
Pozostałe trzy litery są małe.
Druga i trzecia — to nazwy rejestrów, z których należy pobrać dane; czwarta — to nazwa rejestru, w którym należy umieścić wynik.
Twój program powinien zapisać w pierwszym i jedynym wierszu standardowego wyjścia jedną liczbę całkowitą — minimalną liczbę bramek układu asemblerowego, równoważnego danemu programowi.
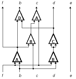
Dla danych wejściowych:
8 Afbc Bfbd Cddd Bcbc Afcc Afbf Cfbb Dfdb
poprawną odpowiedzią jest:
6
Układ równoważny danemu programowi przedstawiono na rysunku.
Autor zadania: Marcin Kubica.
In the event of technical difficulties with Szkopuł, please contact us via email at [email protected].
If you would like to talk about tasks, solutions or technical problems, please visit our Discord servers. They are moderated by the community, but members of the support team are also active there.