W prostokątnym układzie współrzędnych dany jest wielokąt o bokach równoległych do osi układu. Każde dwa kolejne boki w tym wielokącie są do siebie prostopadłe, a każdy wierzchołek ma współrzędne całkowitoliczbowe. Dane jest również okno, czyli prostokąt o bokach równoległych do osi układu. Wnętrze wielokąta (ale nie jego brzeg) zostało pokolorowane na czerwono. Jaka jest liczba rozłącznych czerwonych fragmentów wielokąta widzianych przez okno?
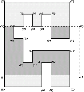
Przyjrzyjmy się rysunkowi poniżej:
Liczba parami rozłącznych fragmentów wielokąta widzianych przez okno wynosi
.
Napisz program, który:
W pierwszym wierszu standardowego wejścia znajdują się cztery liczby całkowite
z przedziału
oddzielone pojedynczymi odstępami.
Liczby
są współrzędnymi górnego lewego rogu okna.
Liczby
są współrzędnymi dolnego prawego rogu okna.
Następny wiersz pliku wejściowego zawiera liczbę całkowitą
,
.
Jest to liczba wierzchołków wielokąta.
W kolejnych
wierszach znajdują się współrzędne kolejnych wierzchołków wielokąta danych w kierunku przeciwnym do ruchu wskazówek zegara,
tzn. wnętrze wielokąta leży po lewej stronie jego brzegu, gdy przesuwamy się wzdłuż boków wielokąta zgodnie z zadanym porządkiem.
Każdy wiersz zawiera dwie liczby całkowite
oddzielone pojedynczym odstępem,
.
Liczby w wierszu
,
, są współrzędnymi
-tego wierzchołka wielokąta.
Twój program powinien zapisać w pierwszym i jedynym wierszu standardowego wyjścia jedną liczbę całkowitą, a mianowicie — liczbę rozłącznych czerwonych fragmentów wielokąta widzianych przez okno.
Dla danych wejściowych:
0 5 8 1 24 0 0 4 0 4 2 5 2 5 0 7 0 7 3 3 3 3 2 2 2 2 4 1 4 1 5 2 5 2 6 3 6 3 5 4 5 4 6 5 6 5 4 7 4 7 7 0 7
poprawną odpowiedzią jest:
2
Autor zadania: Wojciech Guzicki.
In the event of technical difficulties with Szkopuł, please contact us via email at [email protected].
If you would like to talk about tasks, solutions or technical problems, please visit our Discord servers. They are moderated by the community, but members of the support team are also active there.